Home > Products > IMPERVIUS Micro SWITCH PB > IMPERVIUS Micro Switch Ultra Foedus
IMPERVIUS Micro Switch Ultra Foedus
  • IMPERVIUS Micro Switch Ultra FoedusIMPERVIUS Micro Switch Ultra Foedus

IMPERVIUS Micro Switch Ultra Foedus

IMPERVIUS Micro Switch Ultra Foedus parvum contactum habet intervallum et celerem actionem mechanismum, et contactum mechanismum mutandi actionis cum ictu certo et vi tegitur testa, et transmissio extrinsecus est, et forma parva est.

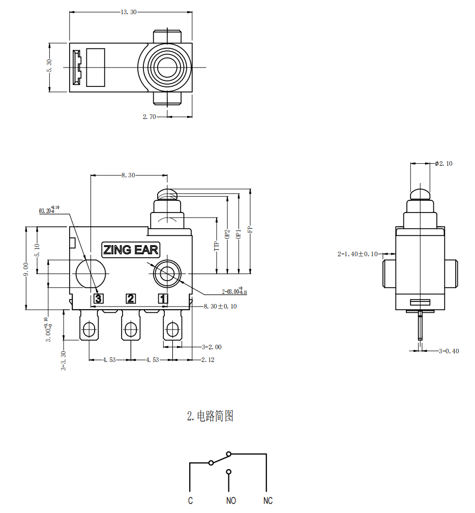
Model:FSK-20-586

Mitte Inquisitionem

depictio producti

LAMENTATIO®est ducensChina fabricarers, suppliers and exporter of IMPERVIUS Micro Switch Ultra Compact

Productum Introduction 


Haec signata IMPERVIUS micro switch apta sunt ad virgas moderandas in domos callidi. Scire licet remotam potestatem luminum, cortinarum, ianuam, seras, etc.Virgae parvae waterproof plerumque designari solent cum strepitu humili. Cum switch utens IMPERVIUS, nimium vel parum vi vitare utens.Vitare nimiam vibrationem vel collisionem IMPERVIUS switch.Vitare utens corruptis IMPERVIUS transibit, in tempore reponi debet.Si medicinae instrumenti microform mini  abnormes vel confusi sunt, statim demoveri debet et auxilium professionali quaerendum est.Parere cum constitutionibus et signis electrica salute in patria vel regione tua.

Hoc 30 Volt Rocker Commutatio notat duplex structuram contactum confractum, arcus rapidus technologiam exstingens, ac munus tutelae onero, tutus effectus praestans. Apparatu militari instructa ad vernum mechanismum et ad structuram anti-vibrationis internae densis, eam in qualitate certa facit.


Tongda Factory FAQ




Q1.:Habesne certificationem de vestra officina vel products?

A1: Scilicet, firmum systema certificatum habemus, sicut IATF16949, ISO14001, UL, TUV, VDE, Rohs, Approbationes et cognata adfer.


Q2.What est specimen consilium?

A2: Free specimen intra 3 dies praeberi potuit, sed crimen expressum per emptorem solvendum est.


Q3. Quid est stipare verba tua?

A3: Generaliter bona in neutras cistas et cartons brunnei stipant, vel nativus si qty pervenit.


Q4. Quod est opus tuum termini solucionis?

A4: Communi, T/T 30% depositi, et 70% ante traditionem., si moles >2000USD



ProductumumSpecification

Technical Characteres switch:
ITEM Technical parametri Precium
1 Electrical Rating 10mA 14V DC/0.1A 30VDC
2 Operans Force ≤1.5N
6 Vita electrica ≥50000 circuitus
7 Mechanica Vita ≥100000 circuitus
8 NO (Operans Position) 8.4±0.3mm
9 NC (Operans Position) 8.7±0.3mm
10 Vibratio Probatur Vibratio Frequency : 10~ 55HZ
Amplitudo : 1.5mm
Tres directiones: 1H
11 Solder Facultates: Plus quam LXXX% de parte baptizati
solida operietur
Solder Facultates: Plus quam LXXX% de parte baptizati
Tempus baptizat: 2~3S
12 Solder Caloris Resistentia Intingere solidamentum: 260±5℃ 5±1S
Manuale solidamentum: 300±5℃ 2~3S
13 ≥100000 circuitus Ambiens Temperature :20±5℃
Relativum Umor: 65±5% RH
Pressura aeris: LXXXVI ~ 106KPa


ProductumumDetails




Hot Tags: IMPERVIUS Micro Switch Ultra Foedus
Related Categoria
Mitte Inquisitionem
Libenter placet, ut inquisitionem tuam in forma infra exhibeas. Respondebimus tibi in 24 horis.
X
Crusulis utimur ut meliorem experientiam pasco tibi praebeamus, situm negotiationis et personalize contentus analyse. Hoc situ utendo, ad nostrum crustulorum usum consentis. Privacy Policy
Reject Accipe