Plug columna typus button Micro switch in Auto partibus habet parva contactus intervallum et velox actio mechanism, et contactus mechanism ad switching actum cum certa et vim tegitur per crustum, et non est in foras et figura est in parva.
Productio Producouactio
Dis-ut-urna Micro virgas est communis electronic component solebat control in quod off statu de circuitu. Solet consistit in button et switch quod mutat status cum button instare.
Dis button switches potest uti blinking effectus, cum puga premitur, in button et ictu ad attrahunt in user scriptor operam.
Productio Applicaretionem et specificationem
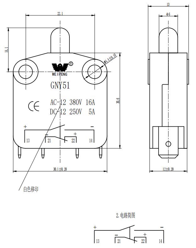
Plug Column Type Puga pyga Switches potest esse control ad lucem, cum in button instare, lux non convertam in vel off. Potest etiam esse potest control switch electrica apparatu, aer Conditioner, etc in Industrial agro, urna puga switches late solebant control in satus et subsisto mechanica Equiphonic est ad imperium, quod inseparabile ex hoc simplex imperium component.
| Switch Technical characteres: | |||
| Item | Technica modularis | Valor | |
| 1 | Electrical Rating | 16a 250vac | |
| 2 | Contact resistentia | ≤50mω initial valorem | |
| 3 | Nulla resistitur | ≥100mω (500VDC) | |
| 4 |
Dielectric Voltage |
Inter non-connected terminals |
500V / 0.5ma / 60s |
| Inter terminals et metallum frame |
1500v / 0.5ma / 60s | ||
| 5 | Electrica vitae | ≥50000 cycles | |
| 6 | Mechanica vitae | ≥100000 cycles | |
| 7 | Operating temperatus | -25 ~ CXXV ℃ | |
| 8 | Operating frequency | Electrical: XV Cycles Mechanica: LX Cycles |
|
| 9 | Vibratio Probatur | Frequency Frequency: 55Hz ~: Amplitudine: 1.5mm; Tria directiones: 1h |
|
| 10 | Solder habebat: Plus quam LXXX% of immersa parte et operuit cum solidetur |
SOLD Temperature: CCXXXV ± V ℃ Tempus immersing: II ~ 3s |
|
| 11 | Solder calor resistentia | Tolld Soldering: CCLX ± V ℃ V ± 1s Manual solidatorium: CCC ± V ℃ II ~ 3s |
|
| 12 | Salus approbationes | Ul, CSA, TUV, CQC, CE | |
| 13 | Test condiciones | Ambientium temperatus: XX ± V ℃ Relativum humiditas: LXV ± V% RH Aeris pressura: LXXXVI ~ 106kpa |
|
Productio Details


