Ut accumsan exemplar de Yueqing Tongda Wire Electric Factory microform series, normaliter Open Electronic Component Lever Microform features "alta sensibilitas, ultra-longam vitam, et multi-scenario aptabilitas" pro core utilitates eius. Integrata societas XXXV annorum peritia fabricandi, facta est clavis moderaminis componentis in adjumenta domestica, electronica automativa, automationis industriae, et in aliis agris, propter minimam contactum hiatum et celerem actionem mechanismum. Eius effectus et commendatio certificata est per multiplices Instituta auctoritativas per orbem terrarum, obtinens suam amet positionem in foro iussisti.
Microform SWITCH PB
Series HK-XIV valde flexibilium consuetudinum praebet optiones ad differentias applicationis requisita. Vis operativa potest nativus (minus quam 5.0 N in statu libero vecte, vexillum 30±15 gf), cum ictu operante range 0.6-1.5 mm, ad varias felis vis et obsessio missionum apta. Vectis styli sunt customizabiles, incluso rectis, curvis, vectibus cylindro, qui variis structurae tradendae mechanicae possunt aequare. Contactus formae tegunt plenam extensionem SPDT (1NO 1NC), NO, NC.
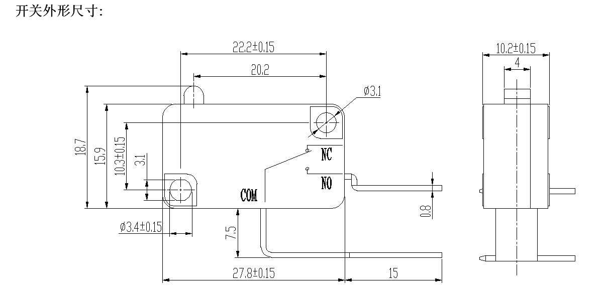
Microform Parameter SWITCH PB (specification)
| Technical Characteres switch: | |||
| ITEM | Technical Parameter | Precium | |
| 1 | Electrical Rating | 5(2)A/10A/16(3)A/21(8)A 250VAC | |
| 2 | Contactus Resistentia | ≤30mΩ valorem initial | |
| 3 | Nulla Resistentia | ≥100MΩ (500VDC) | |
| 4 |
Dielectric Voltage |
inter non-connexa terminales |
1000V/0.5mA/60S |
|
Inter terminals et metallum artus |
3000V/0.5mA/60S | ||
| 5 | Vita electrica | ≥50000 circuitus | |
| 6 | Mechanica vitae | ≥1000000 circuitus | |
| 7 | Temperature operating | -25~ 125℃ | |
| 8 | Operating Frequency |
electrica :15 circuitus Mechanica: LX circuitus |
|
| 9 | Vibratio Probatur |
Vibratio Frequentia: 10~55HZ; Amplitude : 1.5 mm. Tres directiones: 1H |
|
| 10 |
Facultates vendidit: Plus quam LXXX% de parte baptizati solida operietur |
Temperature vendendi : 235± 5℃ Tempus baptizat: 2~3S |
|
| 11 | Solder Caloris Resistentia |
Intingere solidamentum: 260±5℃ 5±1S Manuale solidamentum: 300±5℃ 2~3S |
|
| 12 | Salus Approvals | UL、CSA、VDE、ENEC、TUV、CE、KC、CQC | |
| 13 | Tempestas Test |
Ambiens Temperature :20±5℃ Relativum Umor: 65±5% RH Pressura aeris: LXXXVI ~ 106KPa |
|
Microform switch Feature et Application
Microform SWITCH PB Details
