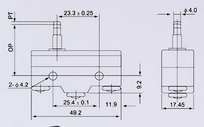
Ls summus qualitas terminus ictum switch est automatic imperium component Urguet per mechanica motus. Core munus est deprehendere in displacement aut plaga obiecti ad consequi aperire et claudendo de circuits, initium et subsisto ex apparatu, aut terminum praesidium. Est necessaria, salus Kessinger 'et' actio imperator 'in industriae automation et electromechanical apparatu.
Switch Producouactio
Et peregrinatione switch (etiam notum est modus switch) est automatic imperium component Urguet per mechanica motus. Core munus est deprehendere in displacement aut plaga obiecti ad consequi aperire et claudendo de circuits, initium et subsisto ex apparatu, aut terminum praesidium. Est necessaria, salus Kessinger 'et' actio imperator 'in industriae automation et electromechanical apparatu.
Switch Applicaretio
TRADUCTOR balteus Ratio: Timit Switches sunt installed ad initium / finem puncta de TRADUYOR. Cum workpiece est deportatur ad designatum positus, in switch est Urguet ad mora in TRADUCTOR, coordinare cum robotic brachium praestare contenta et diribitio actus.
Conventus versus: sunt ad deprehendere num workpiece in rectam situ. Eg in domum appliance conventus linea cum exterius testa movet ad stupra tensis statione, switch triggers in startup de tensis machina, cursus precisissum inter processum gradum.
Switch Details
