Sicut Probatio exemplar of Yueqing Tongda Wire Electric Factory microform series seriei, HK-14 16A 250VAC T125 Universalis Pentium Supor Rice Cooker Accessories Microform features "sensibilitas altae, ultra-longae vitae, et multi-scenario aptabilitas" pro nucleo suo commoda. Integrata societas XXXV annorum peritia fabricandi, facta est clavis moderaminis componentis in adjumenta domestica, electronica automativa, automationis industriae, et in aliis agris, propter minimam contactum hiatum et celerem actionem mechanismum. Eius effectus et commendatio certificata est per multiplices Instituta auctoritativas per orbem terrarum, obtinens suam amet positionem in foro iussisti.
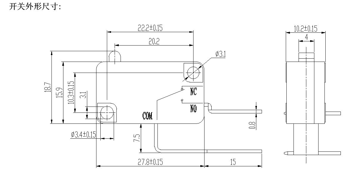
Microform SWITCH PB
HK-14 validam aemulationem demonstrat in specificationibus technicis et maxime aptus ad altum frequentiam, summus praecisio, requisita moderatio. Contactus e materiarum admixtionis valde conductivae fiunt, cum initiali contactu resistentiae ≤30mΩ, excursus ab 5A ad 25A stabiliter ferens, et cum multiplici intentione missionum AC 125V/250V et DC 12V/24V compatitur, varias potentias occurrens necessarias a parvis instrumentis ad industrialem apparatum.
In terminis faciendis excitato, producto mechanismo frangente utitur, cum ictu operante solum 0.5-1.6mm et vim operantem inter 0.25-4N moderatam. Celeri excitato responsionem praebet et apertas opiniones, efficaciter quaestiones de "malso excitato" et "morali felis" vitando. Vita vitae longe excedit industriam normas: vita mechanica superat 1 decies centena milia cyclos, et vita electrica per quingentos cyclos attingit, ut diuturnum tempus stabilis operatio in usu missionum magno frequentiae usu missionem sicut proin clibanos et electronicas automotivas.
Aptabilitas environmental aeque gravis est. Productum in amplitudine temperatura ab -25℃ ad 125 operate operari potest, tres axis vibrationis experimentum ad 10-55Hz cum amplitudine 1.5mm transire, velitam resistentiam ≥100MΩ (500VDC), sustinere et intentionem 1000V AC inter terminales efficere, stabilis effectus etiam in officina vibrationis culturae industriae vel condiciones machinis altae temperaturae.
Leqing Tongdae plenae processus qualitatis ratio temperantiae freti, HK-14 multa experimenta rigida patitur a materiis rudibus ad productos perfectos;
Rudis materialis probatio: Contactus materialis analysis spectris, fons elasticitas et lassitudo probat, et resistentia senescentis armamenta probat ut nuclei partes occurrant signa automotiva;
Productio probatio: Plene automated praecisio conventus lineae ad systemata inspectionis visivae instructae, key errores dimensionales intra ±0.01mm continentes ut accurate activitatem congruentem curent;
Productum perfectum probatio: C% passum rate pro 10 probat, inter alta et humilis temperatura cyclica (-40℃ ad 120℃), 48-hora salsurae corrosio, decies centena cyclorum urgentium, tremor et impetus probat.
Microform Parameter SWITCH PB (specification)
| Technical Characteres switch: | |||
| ITEM | Technical Parameter | Precium | |
| 1 | Electrical Rating | 5(2)A/10A/16(3)A/21(8)A 250VAC | |
| 2 | Contactus Resistentia | ≤30mΩ valorem initial | |
| 3 | Nulla Resistentia | ≥100MΩ (500VDC) | |
| 4 |
Dielectric Voltage |
inter non-connexa terminales |
1000V/0.5mA/60S |
| Inter terminals et metallum artus |
3000V/0.5mA/60S | ||
| 5 | Vita electrica | ≥50000 circuitus | |
| 6 | Mechanica vitae | ≥1000000 circuitus | |
| 7 | Temperature operating | -25~ 125℃ | |
| 8 | Operating Frequency | electrica :15 circuitus Mechanica: LX circuitus |
|
| 9 | Vibratio Probatur | Vibratio Frequentia: 10~55HZ; Amplitude : 1.5 mm. Tres directiones: 1H |
|
| 10 | Facultates vendidit: Plus quam LXXX% de parte baptizati solida operietur |
Temperature vendendi : 235± 5℃ Tempus baptizat: 2~3S |
|
| 11 | Solder Caloris Resistentia | Intingere solidamentum: 260±5℃ 5±1S Manuale solidamentum: 300±5℃ 2~3S |
|
| 12 | Salus Approvals | UL、CSA、VDE、ENEC、TUV、CE、KC、CQC | |
| 13 | Tempestas Test | Ambiens Temperature :20±5℃ Relativum Umor: 65±5% RH Pressura aeris: LXXXVI ~ 106KPa |
|
Microform switch Feature et Application
Microform SWITCH PB Details

