Ut professional manufacturers, weipeng® vellem providere vos waterproof Micro switch diu vitae. Et offerimus optimum post-venditionem servitium et opportune partus. Nam magis notitia super 4a 30vdc princeps button IMPERVIUS Switch, placere sentire liberum contactus nobis.
Productio Pluma


Product Principle
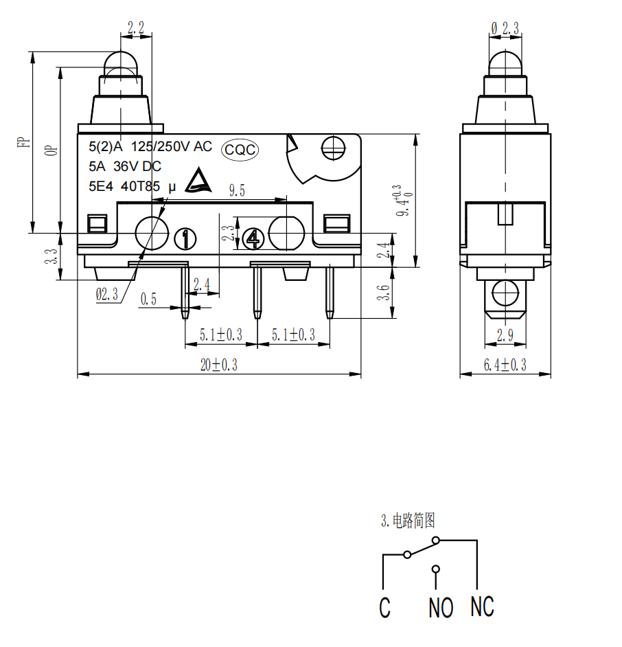
Waterproof Micro switch est quaedam Micro switch cum IMPERVIUS perficientur, quod potest operari Northmanni in infectum vel aqua.Waterproof micro virgas sunt plerumque ex IMPERVIUS materiae, quae habent bonum signantes perficientur et potest ne humorem ab penetrantes in medio switch.In IMPERVIUS Micro switch habet parva magnitudine et sensitive trigger vi, idoneam variis pacto applicationem missionibus.IMPERVIUS Micro switch habet stabile electrica perficientur et potest ponere certa contactus et Disiunctio munera in infectum et humidum ambitus.
Productio Pluma etpplicatio
Automotive Industry: Waterproof Micro virgas potest esse in currus wipers, ostium virgas et aliis partibus et potest operari Northmanni in pluviæ diebus et cum laverunt.
Domum appliances: IMPERVIUS Micro virgas potest esse in baptismata machinis, dishwashers, imbres et aliis domum adjumenta ut eorum normalis operationem in humidum ambitus.
Productio ExtAils
