Ut repraesentativum productum of Yueqing Tongda Wire Electric Factory quod involvit integrationem core standardisationis et customizationis, 5A Communiter Open/Norme Clausa High-Temperate Repugnans Smart Appliance Reset Switch ordinatur cum nucleo principiorum "stabilitatis, constantiae, et scenae compatibilitatis." Incorporat XXXV annos societatis switch fabricandi peritia, multiplices optimizations in electricae operationis, tutelae gradus et experientiae usoris assequendis. Transitus late applicabilis est missionibus sicut dolor domi potentiae distributionis, instrumentorum auxiliariorum industrialium et instrumentorum medicorum minorum, quod facit praelatum ambitum temperationis componentis quae universalitatem cum potentia customization librat.
Microform SWITCH PBIntroductio
Microformes (etiam ut virgas actionis frangentium notae) utuntur mechanismo verno onerato ad activationem instantaneae efficiendam, nulla tarda pressio requiritur. Possunt celeriter contactus aperire vel claudere, stabilis effectus sine mora procurare. Pro emptoribus, hoc significat durabilitatem altiorem (contactus reducere indumentum) et praecisionem, adiuvantes ad vitanda pericula salutis causa per virgas adhaesas.
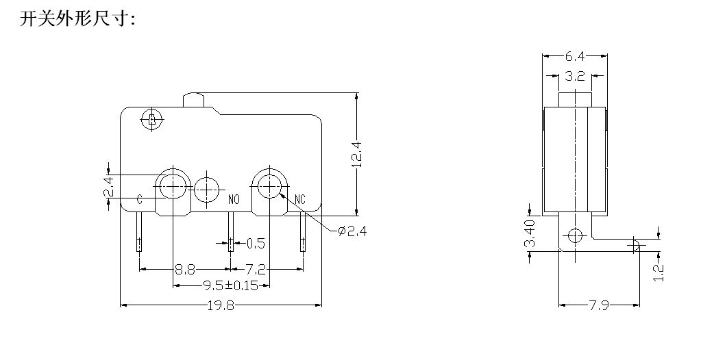
Gradus productionis praecipuae sunt quae emptores intellegere debent qualitatem productam aestimare;
1. Vestibulum Component: Ipsum contactus metallorum et fontium machinatorum; durabile tegumentum (plastic/metallum).
2. Conventus: Accurate colligens fontes, contactus et actus ad vitandum afficiens effectum.
3. Testis: Strictioris probatio (mille diurnariorum testium, continuitatis electricae probat) ad firmitatem obtinendam.
4. Packaging: Protective packaging for easy transportation, with clearification of specifications.
Microform SWITCH PBApplicationem
Virgulae parvae late adhibentur et certae in re ipsa, maxime applicatae;
- Familiares adjumenta: armarium luminum, portae oven proin seras, machina lavatio virgas operculi, et timers toaster.
- Industriae instrumenti: gravia-officii exempla apta vectoriis cingulis, machinis, et tabulatis moderandis (dustproof et humoris-probationis).
- Automotivum campus: windshield wipers, ostio-ajar indicibus - potest sustineri tremor et extremae temperaturae.
- Electronic machinis: minimae permutationes pro remotis dominiis et lusus moderatoris (responsivum et diuturnum).
Microform SWITCH PB Specification
| Technical Characteres switch: | |||
| ITEM | Technical Parameter | Precium | |
| 1 | Electrical Rating | 5(2)A 125V/250VAC 10(3)125V/250VAC | |
| 2 | Contactus Resistentia | ≤50mΩ valorem initialem | |
| 3 | Nulla Resistentia | ≥100MΩ (500VDC) | |
| 4 |
Dielectric Voltage |
inter non-connexa terminales |
500V/0.5mA/60S |
| Inter terminals et metallum artus |
1500V/0.5mA/60S | ||
| 5 | Vita electrica | ≥10000 circuitus | |
| 6 | Mechanica Vita | ≥100000 circuitus | |
| 7 | Operating Temperature | -25~ 125℃ | |
| 8 | Operating Frequency | Electrical: XV circuitus Mechanica: LX circuitus |
|
| 9 | Vibratio Probatur | Vibratio Frequency :10~55HZ; Amplitude : 1.5 mm. Tres directiones: 1H |
|
| 10 | Facultates vendidit: Plus quam LXXX% de parte baptizati solida operietur |
Temperature : 235±5℃ Tempus baptizat: 2~3S |
|
| 11 | Solder Caloris Resistentia | Intingere solidamentum: 260±5℃ 5±1S Manuale solidamentum: 300±5℃ 2~3S |
|
| 12 | Salus Approvals | UL、CSA、VDE、ENEC、CE | |
| 13 | Tempestas test | Ambiens Temperature :20±5℃ Relativum Umor: 65±5% RH Air Impetus: 86~ 106KPa |
|
Tongda Wire Electric Micro USB Inline Power SWITCH PB Singula

